Direkt zum Inhalt

Aluminium-Vorbaurollladen - Modell "S39-To-Go" - Produktbeschreibung

Produktbeschreibung

Das Modell "S39-ToGo" ist mit einer Fertigungszeit von nur 3 Stunden die Höchstgeschwindigkeitslösung. Geeignet für alle Montagearten, als Links- oder Rechtsroller.
Die maximale Breite richtet sich nach Windwiderstandsklassen. Die Windwiderstandsklasse wird aus dem Gelände und dem Montageort bestimmt, in dem der Rollladen montiert werden soll.
Für dieses Modell ist auch eine mehrteilige Bauart (z.B. Fenster/Tür, Fenster/Fenster, Tür/Fenster/Fenster usw.) möglich.
Die maximale Fläche beträgt 6m² je Behang. Für größere Fenster, Türen oder Tore empfehlen wir den XL-Rollladen oder XXL-Rollladen.
Bestellen Sie Ihren Rollladen to go direkt per Fax, Telefon oder online.
Nach Freigabe, der von uns ausgestellten Auftragsbestätigung,wird der Rollladen umgehend produziert. Der fertige Rollladen to go kann nach 3 Stunden durch Sie bzw. einer von Ihnen organisierten Transportfirma abgeholt werden. Eine stabile Spezialverpackung (speditionsgerecht) ist gegen Aufpreis erhältlich.

Rollladenkasten

Rollladenkasten Zeichnung
Rolladen mit 45° abgeschrägtem Kasten aus rollgeformtem Aluminium, allseitig geschlossen, mit Druckgußblendkappen, Ausführung 45°, Oberfläche einbrennlackiert.
Für diese Kastenform sind 6 verschiedene Kastengrößen in bis zu 6 verschiedenen Standardfarben oder RAL-Sonderlackierung verfügbar.
Die Kastentiefe entspricht der Kastenhöhe.
  • 125mm - silber und anthrazitgrau nicht als Standardfarbe lieferbar
  • 137mm - alle Standardfarben und RAL-Sonderlackierung
  • 150mm - alle Standardfarben und RAL-Sonderlackierung
  • 165mm - alle Standardfarben und RAL-Sonderlackierung
  • 180mm - alle Standardfarben und RAL-Sonderlackierung
  • 205mm - alle Standardfarben und RAL-Sonderlackierung
Rolladen - Kastengroessen - Bild S39
Rolladen - Maximalhoehen bei Kastengroesse - Bild

Rollladenpanzer (Behang)

Rollladenpanzer Zeichnung
Rollladenpanzer
Aluminium-Rollladenpanzer Typ PA39 (Gewicht: ca. 2,8 kg/m²), aus doppelwandigem, rollverformten Aluminium mit Polyurethan-Hartschaum ausgeschäumt. Oberfläche aus modifiziertem hochabriebfestem Polyester-Strukturlack. Arretierung gegen seitliches Verrutschen, Stahlbandaufhängefedern.
Für diesen Behang bieten wir eine umfangreiche Auswahl von 15 verschiedenen Farben und Designs.
Der Rollladen-Behang (auch als Rollladen-Panzer bezeichnet) besteht aus Aluminium und ist ausgeschäumt.
Die  Arretierung verhindert ein Verschieben der Lamellen, sodass eine optimale Führung garantiert wird.
Die unteren 3/4 derElementhöhe sind bei unseren Rollladenpanzern mit Lüftungsschlitzen versehen.
In komplett geschlossenem Zustand sind keine Lichtöffnungen mehr zu sehen.
Die Aluminium-Rolladenstäbe sind rollgeformt und mit PU-Schaum gefüllt, der für die Stabilität der Lamellen sorgt.

Führungsschienen

Führungsschiene "PP53"

Führungsschiene PP53 Zeichnung
Führungsschiene PP53

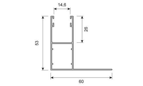
Führungsschiene "PK53"

Führungsschiene PK53 Zeichnung
Führungsschiene PK53

Führungsschiene "PK53"

Führungsschiene PP53/ODS Zeichnung
Führungsschiene PP53/ODS
Hohlkammerführungsschiene aus stranggepreßtem Aluminium mit doppelter Bürsteneinlage, Oberflächenbeschichtung durch Mehrfach-Einbrennlackierung.
Die Führungsschienen sind in 6 Standardfarben oder als RAL-Sonderlackierung lieferbar.
Die Führungsschienen des Solar-Rolladens sorgen für den problemlosen Lauf der Rollladen-Profile.
Tiefe und Breite der Rollladen-Führungsschienen sind auf die Rolladenlamellen angepasst.
Die Wärmeausdehnung der Rolladen - Lamellen muss dabei berücksichtigt werden. Der Bürstenkeder verhindert die Geräuschentwicklung durch Wind, Ablauf- und Klappergeräusche werden minimiert.
Die Führungsschiene PP53 ist die Standard-Führungsschiene, sie wird verwendet um den Rollladen auf den Fensterrahmen oder vor die Nische zu montieren. Die Führungsschiene PK53 mit 30 mm Aluminium-Schenkel wird benötigt, wenn der Rolladen in die Nische seitlich verschraubt werden soll.
Die Führungsschiene PP53 / ODS wird eingesetzt um etwas mehr Abstand zu generieren - z. B. den Abstand zwischen Rolladenpanzer und einem Türgriff zu erhöhen.

Antrieb

Handantrieb

Gurtwickler für Rolladen
Schnurwickler für Rolladen
Gurtzugantrieb mittels Super-Mini-Gurtwickler schwenkbar, Gurtbreite 14 mm Gurtdurchführung mit Bürstendichtung, alternativ Schnurwickler mit Durchführungsspirale. Walzenkapseln und Gurtscheiben bestehen aus hochfestem Polyamid.
Selbstverständlich liefern wir sowohl die Gurt- als auch die Schnurwickler in den Farben weiß oder braun. Der Gurt ist in den Farben grau oder braun lieferbar, die Schnur in schwarz oder grau.

Motorantrieb

Die bequeme Alternative sind unsere elektronischen Antriebe mit Schalter- oder Funksteuerung, Hinderniserkennung, Überlastungsschutz (z.B. bei festgefrorenem Rollladenpanzer) bzw. Solar- oder Akku-Antriebe.
SP - Rollladen-Motor
Rohrmotor Selve SP

Der „Klassiker“ unter den elektrischen SELVE-Rollladenantrieben. Technisches Herzstück dieses Antriebs ist die Spindel-Endabschaltung. Die Einstellung der Endschalter erfolgt über zwei Innensechskantschrauben am Motorkopf.

Produktblatt ansehen
SEL Rollladen - Motor
Rohrmotor Selve SEL

Der intelligente Motor, der dank der Hinderniserkennung in AB-Richtung mit Revision (Freifahren des Hindernisses) und Überlastungsschutz in AUF-Richtung (z. B. Abschalten bei festgefrorenem Rollladen) "mitdenkt". Über Schalter, Zeitschaltuhr und/oder Wettersensor zu bedienen.

Produktblatt ansehen
Rohrmotor für Rollladen mit Funksteuerung
Funkmotor Selve

Motor mit Funkempfänger. Dieser Motor verfügt ebenfalls über eine Hinderniserkennung in AB-Richtung und einen Überlastungsschutz in AUF-Richtung. Die Parallelschaltung mehrerer SELVE-Elektronik-Antriebe ohne zusätzliche Schaltelemente ist möglich.

Produktblatt ansehen
Rolladen mit Solarpanel
12 Volt Motor mit Akku. Der Akku wird durch Sonneneinstrahlung mittels eines Solarpanels an der Vorderseite des Rollladenkastens aufgeladen.
Der Solar-Rollladen sollte nur dort montiert werden, wo die Sonne zumindest kurzzeitig auf das Solarpanel treffen kann.
Die hochwertigen Mini-Aufputz-Gurtwickler überzeugen durch ihre sehr lange Lebensdauer: Die einbaute Feder ist auf mehr als 20.000 Zyklen ausgelegt und entsprechend getestet. Nach dem der Gurtwickler montiert ist, kann er um 180° geschwenkt werden.Durch das patentierte Verschlusssystem ist der Gurtwickler kinderleicht zu öffnen (z.B. wenn der Gurt getauscht werden muss). Den Aufputz-Gurtwickler gibt es in den Farben weiß und braun. Der Gurt ist ca. 5 m lang und in der Farbe grau bzw. braun erhältlich. Der Mini-Gurtwickler kann sofort montiert und verwendet werden. Beim Gurtwickler muss die Gurtführung exakt gerade geführt werden. Er wird am Fensterrahmen oder an die Wand befestigt. Der Abstand der Schraublöcher beträgt 154 mm. Für die Bedienung eines Rollladenelementes bis zu 2,25 m Höhe ist die Gurtlänge in jedem Fall ausreichend.
Gleiches gilt für den Mini Schnurwickler mit schwenkbarem Gehäuse inklusive 5m Schnur. Ist die Montage erfolgt, kann auch der Schnurwickler 180°! geschwenkt werden. Die Montagewinkel haben einen Lochabstand von 145 mm. Die Schnurführung beim Schnurwickler darf leicht schräg sein, weil die Schnur durch eine Spirale aus Metall geführt wird.


Insbesondere Rohrmotoren besitzen die positive Eigenschaft, dass der heruntergelassene Rolladenpanzer nicht hochgeschoben werden kann. Diesen besonderen Sicherheitsaspekt, den die elektrische Rolladenantriebe mit sich bringen steht hier im Vordergrund.
Viele Senioren schätzen den Komfort von Rolläden mit Motor, da sie sich sehr leicht und ohne Kraftaufwand bedienen lassen. Weitere Zusatzfunktionen, wie zum Beispiel Zeitschaltuhren, mit denen man die Rolladen automatisch steuern kann, machen Ihr Haus noch sicherer. Mittlerweile ist es sogar möglich die Rolläden Ihres Hauses von jedem Ort aus, z. B. im Urlaub, zu steuern. Siehe ---> iveo Home Server der Fa. SELVE

Ein Funkmotor erhöht den Komfort nochmals erhrblich. Bedienen Sie ihre Funk-Rolladenmotoren einfach vom Sofa oder dem Bett aus. Aber nicht nur die angenehme Bedienung spricht für einen Rolladenmotor mit Funk, sondern auch, dass es manchmal nicht gewünscht oder unmöglich ist, dem kompletten Raum neu zu verkabeln. Denn, wenn man nicht ohnehin gerade renoviert, viel Schmutz und Aufwand bedeuten.

Wird ein Rolladenmotor mit Hindernisserkennung (SEL u. SEL-R Antriebe) montiert, hat man den optimalen Schutz vor Beschädigungen, z. B. anfrieren des Rolladen-Panzers oder dem auflaufen auf ein Hinderniss.

Welle

40er Welle
60er Welle
Achtkantwelle 40 mm mit 0,6 mm Wandungsstärke bzw. 60 mm mit 1,0 mm Wandungsstärke aus verzinktem Stahl, Präzisionskugellager wartungsfrei. Die Auswahl der Welle hängt von der Art des Antriebes (Hand oder Motor) und der Breite des Rollladens ab.
Die Welle ist das Teil des Rolladens, der den Rolladenpanzer trägt und auf den der Behang aufgerollt wird.
Rolladen-Wellen werden aus verzinktem Stahl gefertigt, um Rostfreiheit und Langlebigkeit zu erreichen. Der Durchmesser der Welle muss mindestens 10% grösser als die Deckbreite der Rolladen-Lamellen sein. Das Material der Welle muss so dimensioniert werden (Durchmesser und Wandstärke), dass die Durchbiegung von 1/500 der Wellenlänge nicht überschreitet.

Rollladen-Welle-Schnitt   Grafik - Rollladen - Welle